Skip to main content
Beantwoord

IPTV in combinatie met Deco M4R en TP Link TL-SG108E switches

  • July 2, 2025
  • 7 reacties
  • 192 keer bekeken

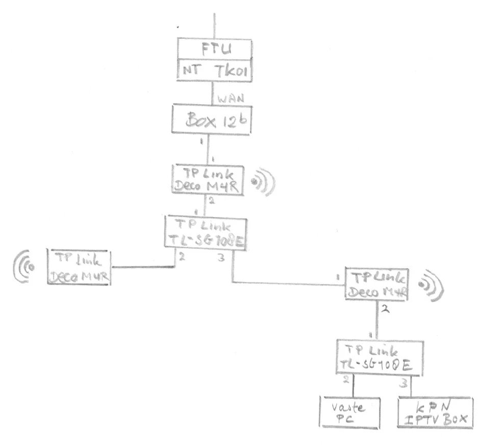
KPN IPTV werkt niet via bekabelde Deco M4R AP's doorgelust en daarna geknoopt aan TP Link switches

Mijn TV beeld hapert continu, weet iemand de instellingen voor mulitcast verkeer / IGMP Snooping in de Deco's zodat mijn netwerk hierboven gaat werken.

Beste antwoord door TDN

@Melro_place Werkt de TV-ontvanger wel als deze aangesloten op de eerste Deco M4R (dus zonder de switches)? Ik vermoed dat de fout ligt bij de switches. De TP-Link TL-SG108E heeft meerdere hardware-versies en allemaal met dezelfde EAN-nummer. Tenminste een versie is niet managed en heeft IGMP-snooping niet. Met de managed versie kan je op de Switches inloggen en controleren of IGMP-snooping daar ingeschakeld is...

Dit topic is gesloten. Staat je antwoord hier niet bij, gebruik dan de zoekfunctie van de Community of stel je vraag in een eigen topic.

7 reacties

Forum|alt.badge.img+8
  • KPN Monteur
  • July 2, 2025

de Deco's in acces point modus zetten is de enigste oplossing om dit met de Deco's te kunnen oplossen. of de TV ontvangers rechtstreeks op de KPN Box12 aan sluiten zonder dat er een Deco tussen zit.


Arjan van KPN
Moderator
Forum|alt.badge.img+14

Hoi ​@Melro_place. Welkom op de KPN Community! Het kan een flinke puzzel zijn om eigen netwerkapparatuur goed in te stellen of aan te sluiten in combinatie met KPN tv-ontvangers. Ik kan je hier zelf niet in adviseren, maar ik vraag even of ​@TDN mee wil denken. Die heeft vaker met dit bijltje gehakt. 


TDN
Wijsgeer
Forum|alt.badge.img+13
  • Wijsgeer
  • Antwoord
  • July 4, 2025

@Melro_place Werkt de TV-ontvanger wel als deze aangesloten op de eerste Deco M4R (dus zonder de switches)? Ik vermoed dat de fout ligt bij de switches. De TP-Link TL-SG108E heeft meerdere hardware-versies en allemaal met dezelfde EAN-nummer. Tenminste een versie is niet managed en heeft IGMP-snooping niet. Met de managed versie kan je op de Switches inloggen en controleren of IGMP-snooping daar ingeschakeld is...


  • Auteur
  • Nieuwkomer
  • July 20, 2025

Alles werkt nu via de TP link Manage 2 switches, deze hebben ook IGMP snooping enabled, alleen valt mijn ipTV geluid om de zoveel tijd even een seconde weg, iemand buiten dat ik de ipTV box direct met een netwerkkabel op het Box12b modem moet aansluiten, nog een ander idee?


  • July 20, 2025

Waarom koppel je die Deco's er tussen? Waarom koppel je die niet apart met 1 utp kabel aan de switchen? Dan gaat het tv signaal niet over die Deco’s. 


  • Auteur
  • Nieuwkomer
  • July 20, 2025

Klopt, heb ik nu gedaan, maar via de switches blijkt nu alleen de ipTV-audio soms 1 seconde weg te vallen, beeld loopt prima door.


  • July 20, 2025

Klopt, heb ik nu gedaan, maar via de switches blijkt nu alleen de ipTV-audio soms 1 seconde weg te vallen, beeld loopt prima door.

Ok. Dan zitten tussen de KPN Box en tv ontvanger nu dus alleen nog 2 switchen? Je zou kunnen kijken of je die kunt updaten. 

Welke tv ontvanger heb je? TV+? Soundbox? Arris? HMB2260?